BZD型定柱式旋悬臂起重机

点击放大
产品名称:BZD型定柱式旋悬臂起重机
产品关键词:BZD型定柱式全回旋悬臂起重机
产品描述:
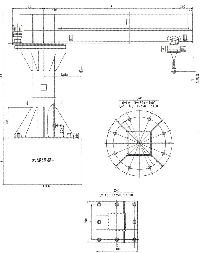
BZD型定柱式全回旋悬臂起重机
详细说明
BZD型定柱式全回旋悬臂起重机在BZA的基础上增加了电动回转机构,由摆线针轮减速装置驱动悬臂回转,电动葫芦在悬臂工字钢轨道上作左右直线运动,由电动葫芦起吊重物,达到了全电动控制,减轻了劳动强度。


![]() |
![]() |
![]() |
![]() |
![]() |
![]() |
![]() |
![]() |
![]() |
![]() |
![]() |
![]() |
|
![]() |
|
| Copyright©2021版权所有:无锡泰源机器制造有限公司 网站地图 苏ICP备11036936号-8 XML 本站关键词:起重机 单梁起重机 无锡起重机 江苏起重机 无锡起重设备 起重机网 联系人:薛峰 13706167943 电话:0510-83751711 网址:www.wxqzsb.com 邮箱登陆 |
Power by |